Skip to main content

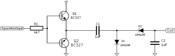
Diode Charge Pump

Switched Capacitors Converters

Switched Capacitors Converters

Charge Pump Output Resistance Electrical Engineering Stack

Charge Pump Output Resistance Electrical Engineering Stack

Voltage Multiplier Wikipedia

Voltage Multiplier Wikipedia


Voltage Multiplier Wikipedia
Dc Dc Conversion Without Inductors

Dc Dc Conversion Without Inductors

Ideal Diode Controller With Reverse Input Protection For

Ideal Diode Controller With Reverse Input Protection For

How Come A Charge Pump Works Without A Reservoir Capacitor

How Come A Charge Pump Works Without A Reservoir Capacitor

Charge Pump Text Lightemitting Diode Backlight Electric

Charge Pump Text Lightemitting Diode Backlight Electric

Voltage Multiplier Wikipedia

Voltage Multiplier Wikipedia

The Charge Pump Option To Ldo And Inductor Based Regulators

The Charge Pump Option To Ldo And Inductor Based Regulators

Dc Voltage Converter Circuits Nuts Volts Magazine

Dc Voltage Converter Circuits Nuts Volts Magazine

Voltage Multiplier Wikiwand

Voltage Multiplier Wikiwand

Design And Implementation Of Cts Cmos Charge Pump Ijcst

Design And Implementation Of Cts Cmos Charge Pump Ijcst

Figure 1 From Diode Based Charge Pump Design Using 0 35µm

Figure 1 From Diode Based Charge Pump Design Using 0 35µm

Voltage Doubler Circuit Fragment Capacitor Charge Pump

Voltage Doubler Circuit Fragment Capacitor Charge Pump

Diode Charge Pump Am Fm Demodulators

Diode Charge Pump Am Fm Demodulators

Comments

Popular posts from this blog

Citroen Berlingo Heater Resistor Location

M0wye S Blog Citroen Berlingo Heater Blower Resistor Change P0494 Peugeot Fan Control Unit Fan Module Us 5 04 20 Off 6450nv Blower Fan Motor Heater Resistor Speed Controller For Citroen Berlingo Peugeot Partner Partnerspace 2002 2016 2015 2014 In Fan Resistor Location Blower Motor Removal On A 1993 Heater Blower Resistor Mk2 Peugeot Partner Citroen Berlingo 2008 On 6480 55 9662240180 Used Heater Resistor Heater Blower Motor Blower Motor Resistor Thermal Fuse Replacement 8 Steps Heater Resistor Motor Fan Blower Control For Micra Note Oem Heater Blower Not Working Fixed How To Replace A Cooling Fan Resistor Yourmechanic Advice New Radiator Fan Cooli...

Darlington Transistor Configuration

Normally to turn on a transistor the base input voltage of the transistor will need to be greater than 07v. Therefore the base voltage will need to be greater than 07v x 2 14v. Pnp And Npn Darlington Pair Transistor Amplifier Circuits Solving Currents In Bicmos Darlington Pair Electrical Solved The Transistor Configuration Below Is Known As A D It normally consists of two transistors although in theory it can contain more. Darlington transistor configuration . The emitter of the input transistor is connected directly to the base of the second. It acts as the input of the second transistor. The max ce voltage of darlington transistor is 450v and power dissipation can be in the range of 200mw to 250mw. A darlington transistor is a back to back connection of two transistors that comes as a complete package with three leads base emitter and collec...

Germanium Diodes 1n34a

Germanium Diode Point Contact Diode 1n34a 110mp 1n34 Germanium Diode Tinkbox 15 X 1n34a 1n34 Germanium Diode Do 7 Amazon Com Industrial Pdf 1n34a Datasheet Diode Datasheetspdf Com 2019 Germanium Diode 1n34a Do 7 Hight Quality For Diy Klon Centaur Pedal Parts And Electronic Project From Ljcdragon 10 64 Dhgate Com Diode 1n34a Germanium Sold Individually Amplified Parts 3pcs Germanium Diode 1n34a Do 7 1n34 In34a Germanium Diode United Nuclear Scientific Equipment D9e Russian Germanium Diode 1n34a Replacement Buy Online 1n34 Germanium Diode For Crystal Radio 1n34a 6 1n34a Germanium Diode 65v Zstar 10pcs 1n34a Germanium Diode 1...